耐蝕纖維增強塑料(FRP)襯里(lining)
1.概述
耐蝕玻璃纖維增強塑料(FRP)襯里(lining)作為現在最一般的防腐蝕方式已在多個領域得到廣泛應用。在我國對工業建筑物、設備、工業化學品儲槽、廢水池等采用耐蝕FRP襯里,其設計、施工的國家和行業規范中都作了相應的原則規定,其應用也得到了急速地發展,因而在耐蝕襯里領域,FRP襯里發揮了其威力。
耐蝕FRP襯里的基體樹脂可采用不飽和聚酯樹脂、環氧樹脂、呋喃和酚醛樹脂等,但由于腐蝕環境的復雜化,要求耐酸、耐堿,耐溶劑性同時也要滿足耐熱性80~120℃的要求,進一步伴隨著這樣的防腐蝕裝置大型化,作為綜合性能優良的環氧乙烯基酯樹脂(VE)的襯里材料的適應性也被用戶接受和認同,是目前國內外防腐蝕襯里用的主要原材料。VE作為耐蝕FRP襯里用基材,在一般的熱固化性樹脂中,是最優秀的樹脂,耐蝕性,固化性,粘結性,強韌性,耐熱性等在現場使用中能夠充分發揮其性能。
2.襯里的基本概念
用有機耐蝕材料包覆金屬面進行防腐蝕操作時,可用三種方法,油漆(painting)、涂層(coating)、襯里(Lining)。一般認為,painting是在200μm以下的薄膜,除了防銹、防蝕外還有為了美觀的目的;Coating是有著500μm左右的高耐蝕性的涂層,對于磨損和浸透很困難;Lining的包覆厚度從1000μm到10mm,完全可以隔斷腐蝕環境。但是coating也能開發成“重防腐蝕”涂料(heavy duty),包覆厚度有300~1000μm,耐久性也提高,如現在市場上的重防腐蝕樹脂玻璃鱗片涂料或樹脂玻璃鱗片膠泥,這樣coating和lining并沒有明確的界限。
painting在常溫時使用較多,但耐熱涂料等是個例外。因此為了防腐蝕,金屬(或混凝土)面做耐蝕層襯里是必要的。
3.有機包覆材料的防腐蝕機理
為了防止金屬的腐蝕,自古以來,都是采用涂料包覆。其防腐蝕機理是:用有機涂膜包覆金屬面,隔斷了水、O2、離子等對金屬的侵入。據此,金屬面上形成局部電流的陰陽兩極,被有著高電阻的有機涂膜將其隔開,減少了腐蝕電流,結合除銹顏料的極化效應,這樣可以來防止金屬腐蝕。涂膜的防蝕功能除涂膜本身的分子結構、顏填料等配伍劑外,與金屬面接觸的緊密性,使膜厚受到很大的影響。
因為有機包覆材料是電的不良導體,在水中不會溶出離子,因此與金屬的腐蝕機理不同。而各種化學品(氣體、蒸汽、藥液)侵入包覆材料,就會產生化學和物理變化,這相當于金屬的腐蝕機理。因而選用對化學品“惰性”的有機包覆材料就顯得非常重要了。
這種侵入由化學品種類、狀態,有機包膜材料的組成、分子結構不同而呈現多樣性。另外,暴露在嚴酷的腐蝕環境中除了化學變化外,還有熱老化,由空氣引起的自身氧老化,紫外線老化等綜合引起的腐蝕。
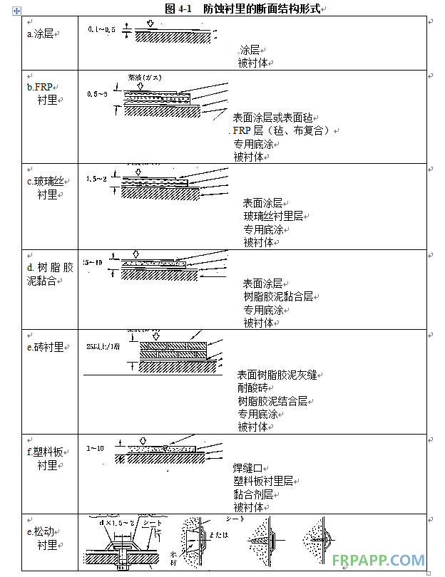
4.防蝕襯里的斷面結構形式
襯里包覆,如圖4-1所示,有著多種的斷面結構,樹脂包膜和基底金屬粘合的情況也不同。圖中a-e的情況,基底金屬(被襯里體)噴砂除繡(表面清理)后,用底漆涂布后,再用液狀樹脂按規定的厚度包覆形成包膜。如使用纖維增強材料,則形成FRP包膜,一般把這種工藝稱為FRP襯里。

分別用不同樹脂作為基材,將玻璃纖維、碳纖維等增強材料復合的結構,如圖中b。
液狀樹脂可單獨或與增強材料一起復合固化,對于合成樹脂的襯里,玻璃絲,無機填充料等與樹脂混合得到的襯里料,又分別稱為積層襯里如圖中c、樹脂膠泥襯里如圖中d。
圖中f,基底金屬噴砂清理后,用粘結劑涂布于塑料板使其粘結。而混凝土槽,由于混凝土自身多數會發生裂紋,粘結的襯里會隨混凝土的裂開而裂開,因此把此工藝稱為非粘結工藝。
圖中g,一般稱為松動襯里,用螺釘固定的話,也稱為螺釘固定襯里。
5.FRP襯里
5.1特點
FRP襯里是主要用液狀樹脂和增強纖維等粘結被襯里體形成耐蝕FRP,因為用的是熱固性樹脂,因此無論在常溫,或任何情況加熱固化都是可能的,加熱之后,交聯密度增大,耐蝕性也提高。實際使用上耐熱性可達120℃,最高150℃。酚醛,呋喃,環氧、UP、VE等樹脂都可以采用。FRP襯里有著以下特點:
1)機械強度有被襯里體承擔(強度設計容易)。
2)被襯里體能夠選擇價格便宜的材料(當被襯里體對耐蝕性沒有要求時)。
3)結構、組成,厚度的可設計性(能夠對應的適材、適所)。
4)現場能夠常溫固化,在現場無論何時都能施工。
5)施工時沒有必要昂貴的設備。
6)修補容易。
但在另一方面與整體FRP單獨使用時不同,FRP襯里是包覆于被襯里體(金屬、混凝土等)的界面基底之上,由于與基底的粘結性差異,向環境劑界面的滲透擴散,起泡,剝離,膨脹系數差等,有熱應力發生。隨著熱應力的產生,裂紋就成為防腐蝕的重要問題。為了與此相對應,襯里用基材的多樣性選擇(粘結性,耐藥性)隨之產生,其中VE作為耐蝕性、粘結性、韌性,常溫固化性方面優良的材料進行了評價。
5.2設計上的注意點
在我們現行的防腐蝕設計、施工等規范中, 對耐蝕材料的基本性能要求,有了比較詳盡的規定。但單靠這些數據要完成工況條件比較復雜的防腐蝕襯里設計是遠遠不夠的,設計人員可能要作更深的考慮,才能達到完美的防腐蝕襯里設計效果,下面描述的內容或許對你設計時的綜合考慮帶來有益。
5.2.1 粘結特性
對于FRP襯里,防腐蝕襯里和被粘結體的粘結強度是控制襯里耐久性的重要因素之一。一般來說,耐蝕性優良的襯里與被粘結體之間的粘結是不好的。被粘結體(金屬或混凝土)由于表面狀態不同,即使同樣進行VE-FRP襯里工作時,也應分別使用底涂層來進行表面處理,以提高粘結性。我們把此操作稱為Primer(底涂)。Primer控制著襯里的是否成功,多數已成為生產廠家的技術秘密(know how)。
VE的粘結性優良,而與之配套的專用底涂層(如Fuchem-810)的使用,則更能夠提高粘結性能。
5.2.2 FRP襯里的熱膨脹系數和熱應力
從滲透擴散理論而言,襯里層越厚越好,致密而強度高。但作為固化后的襯里材料來考慮就未必如此,因為FRP的膨脹系數是金屬、混凝土的2~3倍!
當環境和操作溫度發生變化,則在FRP襯里和基底(金屬、混凝土等)的界面會產生應力,如果此應力超過了兩者之間的粘結力,就會發生FRP襯里的剝離、起泡等現象。
化學設備的金屬表面上形成的FRP襯里,從運行開始到運行終止的這段時間,溫度將會發生變化。由于溫度變化,沿著FRP襯里面發生的熱應力δH(kgf/cm2)可以下式來表示:
δH=ΔT·(αR -αSS)E/(1-υ2)=ΔT·Δα·E
這里,E:拉伸彈性模量;
ΔT:溫度差(隨溫度變化);
Δα=αR-αSS :FRP和低碳鋼之間的膨脹系數差;
υ:泊松( pission)比。
現在我們可來估算一下,在70℃運行的FRP襯里儲槽,運行終止、溫度下降到20℃,FRP襯里產生的應力:
假設:拉伸彈性模量1000kgf/mm2,線膨脹系數αR=2.50×10-5/℃,αSS=1.19×10-5/℃,
ΔT=50℃,FRP和低碳鋼之間的粘結強度(剪切)為25.0 kgf/cm2
則δH =1.31×10-5×50×1000kgf/ mm2=65.5kgf/cm2,設FRP厚為3mm,則襯里端面發生應力為65.5(kgf/cm2)×0.3=19.6(kgf/cm2)。粘結強度(剪切)比此高得多,因此不必擔心會剝離。如果FRP厚為4mm,則從理論上可判斷襯里層使用后將發生剝離、脫殼等現象。
FRP襯里和混凝土基面之間的情況也可仿照上述公式來進行估算。
5.2.3 化學介質的滲透和擴散系數的推定
不僅限于FRP襯里,所有的有機襯里材料一接觸到液態化學介質、水、氣體即會擴散至材料內部,在一定時間后透過一定深度。關于擴散有Fick公式,作為理想的擴散公式,多數時候可求得擴散系數的大概值。擴散系數表示襯里材料對介質的吸收速度,是判斷防腐蝕襯里使用壽命的一個重要因素。
厚度?的襯里試樣與液體接觸t(小時)后的重量增加為Mt(mg或mg/cm2),到達平衡狀態時的重量增加為M∞,當是理想擴散時,則擴散系數D(cm2/小時)的關系式如下:
Mt 8 ∞ 1
![]()
![]()
=1— Σ exp{-D(2m+1)2π2t/?2}……(1)
M∞ π2 m=0 (2m+1)2
浸漬初期式為:
Mt 4 Dt
![]()
![]()
= ( )1/2…………(2)
M∞ π1/2 ?2
圖4-2的吸水曲線Mt對 t1/2作圖,從初期的斜率能夠求得擴散系數。圖4-3所示為多種VE和間苯系UP的擴散系數D和溫度的關系。
一般情況下,襯里層厚度對擴散系數沒有影響,如圖4-4;介質溫度對擴散系數的影響,基本符合阿論尼烏斯(Arrhenius)公式,如圖4-5;而介質濃度的大小與擴散系數有關系,如圖4-6和圖4-7。
因此擴散系數愈小,襯里層愈厚,化學介質的擴散受到妨礙,襯里層的防腐蝕性能可以想象能長期得到保持。
5.2.4 水蒸汽擴散和粘結力
不僅限于FRP襯里,有機襯里一面顯露在高溫下,而金屬面卻處于較底溫度下,則熱擴散現象有利于濃度擴散,促進液體向襯里的滲透,水或水蒸氣最易滲透,冷凝于金屬和襯里間的粘結面,妨礙了FRP的粘結,而容易產生氣泡。
我們稱這種現象為溫度梯度下的滲透擴散。水和蒸汽中,一般眾知的水蒸氣擴散。圖10-1-19所示為粘結力和溫度梯度的關系。圖中的數字為金屬面的溫度和襯里面的溫度,溫度差愈大,短時間的粘結力就愈低。
Menges等推出下式:
L=?2/6D+τ(PB·δN)
這里 L:襯里的壽命;
?:襯里的厚度;
τ:襯里不剝離時間 ;
PB:起泡內部的壓力 ;
δN:垂直拉伸剝離應力
從此式顯示出,襯里的壽命由膜厚,擴散系數和基底的粘結力決定。
對于FRP襯里,水蒸氣擴散和粘結力控制了襯里的壽命,希望襯里厚度增加,同時使用擴散系數小的材料,并且保溫,使溫度梯度變小,這樣就提高了粘結力。
5.2.5 內應力的產生和松弛
FRP襯里用耐腐蝕樹脂在固化時伴有放熱、蒸發、冷卻、聚合等過程,各種熱固性樹脂或多或少會引起收縮。這時,如果FRP襯里層與基層的粘結力小于樹脂固化產生的收縮應力,那就會發生FRP襯里層的剝離;如果粘結力很大,就能阻止界面上的收縮。但產生的內應力可能要引起FRP襯里表面龜裂。
有學者對環氧樹脂進行了線膨脹系數αr、玻璃化溫度Tg和動態粘彈性(儲藏彈性率)E的測定,內應力可以用下列的計算式進行估算

由于線膨脹系數是在鋁板上進行測定的,因此α2為鋁板的線膨脹系數。
目前,高耐蝕、低收縮、粘結力好的防腐蝕材料一直是各材料生產廠家致力于重點開發的領域,而Fuchem-891是這類樹脂的典型代表。




5.3 施工上的注意點
我們用混凝土表面的樹脂襯里為例。
各種樹脂襯里的具體施工操作規程,可在現行的GB50212和HGJ-229中找到,本文不再細述。施工時環境條件可能產生的變化以及基層表面出現的各種復雜情況,使我們的業主(發包方)、設計和施工(承包方)和材料供應方三家要密切配合,并需要及時處置施工中出現的問題。
5.3.1 耐腐蝕材料的選擇
選什么襯里材料的前提取決于工況條件:
1)被襯里體的設計構思和施工品質(按相關國標要求);
2)耐蝕性具體目標,如化學品的基本性質、相態,其使用溫度及變化、濃度及變化等;
3)在襯里現場施工時可能的氣候條件;
根據實驗室耐蝕性試驗(按相關國標要求)、現場掛片試驗或已有的材料使用經驗積累,選取技術可靠、經濟合理、施工可行的耐腐蝕樹脂、增強纖維和填料是目前通常之做法。
5.3.2 被襯里體的結構檢查
就被襯里體本身而言,可能造成FRP襯里失敗的原因,除了養護期不夠、被襯里體強度低等以外,主要有下面的問題:
1)混凝土被襯里體地下部分與土壤接觸的表面,防潮層或防水層沒有設置。因為混凝土結構并非完全不透水結構,而樹脂涂層面的混凝土底基一旦受潮,粘接性能就會下降。
2)混凝土被襯里體不平整,用水泥砂漿層找平,而沒有在界面采取提高結合力措施;
3)澆混凝土用模板以及剝離劑的選定,原則上模板設定為木制模板,用于其表面的剝離劑最好是沒有油性的。當采用裝飾板和鋼模板整理混凝土表面,由于底漆不同,有時會引起粘接不良,因此要盡量避免使用。在不得不使用的情況下,混凝土整個表面有時需要進行噴沙或者打磨等處理。
如何在一個已造成的“既成事實”上,進行被襯里體的FRP襯里,已成為各家施工企業的技術秘密(know how),業主能找到這樣的施工者是非常幸運的。
5.3.3 被襯里體的表面要求
混凝土被襯里體的表面處理要求及達到的目標,已在現有的規范中有明確表述,底基混凝土的表面必須是:
1)清潔,無浮漿、油脂、異物等。 有“浮漿、油脂、異物”,會影響樹脂襯里材料的粘接性能和使用壽命。
2)干燥,堅固。干燥不充分,會造成樹脂襯里粘接不良。所謂“堅固”,是指樹脂襯料的干燥或者硬化收縮以及使用過程中的溫度變化引起膨脹或收縮,粘接界面要有能夠承受應力的強度。
3)平整,無空穴、氣泡痕跡、突起物。所謂“平坦”,是指無高低差、蜂窩、大的凹凸等。
5.3.4 施工前對混凝土面的點檢
一個有豐富經驗的施工操作者,除了應該掌握各種不同樹脂襯里的習性之外,對具有共性之混凝土結構物,在襯里施工前,應進行全面、細致的檢查,并及時解決存在的問題而不給襯里施工留下隱患,表5-1羅列了25個可能遇到的點檢項目:
表5-1 施工前混凝土面的點檢
項目
|
No. |
項 目 |
方 法 |
基 準 |
|
1 |
強度 |
施密特錘 |
大于所需表面強度 |
|
2 |
表面干燥度 |
水分表 聚乙烯片法 |
按規范 |
|
3 |
堿度 |
PH試紙 |
無 |
|
4 |
漏水、滲水 |
目測 |
|
|
5 |
浮漿 |
割刀 |
|
|
6 |
異物、突起物 |
目測 |
|
|
7 |
泥漿、灰塵等 |
||
|
8 |
模板剝離劑 |
滴水試驗 |
不沾手 |
|
9 |
油漆、油脂等 |
||
|
10 |
浮起 |
用錘子敲擊 |
按規范和圖集 |
|
11 |
裂縫 |
裂縫表 |
|
|
12 |
蜂窩 |
目視 |
|
|
13 |
高低差、模板錯位 |
||
|
14 |
模板木接孔 |
||
|
15 |
裂縫、缺口 |
||
|
16 |
冷接縫 |
目視 |
按規范和圖集 |
|
17 |
穴、氣泡痕跡 |
||
|
18 |
共裂防止措施 |
目視 |
事先協商 |
|
19 |
防水層 |
||
|
20 |
接縫 |
按規范和圖集 |
|
|
21 |
凸角、凹角部位 |
||
|
22 |
異質部件的安裝部位 |
||
|
23 |
格子設置部位 |
對照設計圖、確認 |
必要尺寸 |
|
24 |
測水平 |
水平儀 |
按規范 |
|
25 |
接縫材料、修補材料 |
材質確認 |
事先協商 |
說明:
1) 根據工程所需的樹脂襯里,上面的項目要求程度各有不同,因此項目、基準除了規范有規定外,其他的則需要由發包單位和施工單位事先協商。
2) “強度”不夠,混凝土難以承受因樹脂襯里的干燥、硬化收縮或者使用時的溫度變化引起的粘接面上產生的應力,因此會造成因母材被破壞而剝離的現象。用施密特錘測定表面強度,強度要超過所需表面強度。
3) “表面干燥度”不夠,有時會造成樹脂襯里粘接不良。特別是在結露的情況下,由于氣候的變化,會產生再結露,因此在施工樹脂襯里前要注意。檢查干燥度的方法除了使用市場銷售的水分表外,還有貼塑料布的方法。按照作業開始時間,用膠紙帶將1m大小的塑料布貼住(四邊密封),然后放置,時間要超過預定涂敷的樹脂襯里的底涂干燥所需時間,在這段時間內,要確認塑料布里面沒有結露。
4) “堿度”高,根據材料的不同,有時會影響硬化,造成剝離現象。
5) 有“漏水、滲水”,樹脂襯里的粘接力下降,容易造成剝離現象。
6) “浮漿”的存在是由于底漆沒有充分發揮效果而造成剝離。用割刀等工具將混凝土表面刮一下,確認不容易刮開。
7) “異物、突起物”往往影響襯里的均勻性和和良好的工藝性。
8) “泥漿、灰塵等”,由于底漆沒有充分發揮效果,容易造成剝離。
9) “模板剝離劑”以及“油漆、油脂等”一旦粘附,會造成底漆的彈性和粘接不好。如果水滴不擴散而積成小水滴的話,那么可以判斷有油。
10) “起殼”會造成樹脂襯里剝離。用測試錘或者敲擊棒輕輕擊打表面,確認聲音不悶。
11) 有“裂縫”容易造成漏水和樹脂襯里的共裂。用間隙表測量其寬度,協商處理辦法。
12) “蜂窩”使樹脂襯里底基表面沒有強度,而且容易造成樹脂涂敷不均勻。
13) “高低差、模板錯位”難以確保均勻的襯里厚度,而且容易產生樹脂襯里的裂縫和針孔,影響美觀。
14) “模板木接孔”有時會造成漏水、滲水現象。
15) “裂縫、缺口”容易造成襯里涂膜不均勻。
16) “冷接縫”容易直接造成漏水。
17) 有“空穴、氣泡痕跡”,表面沒有強度,也容易產生針孔。
5.3.5 點檢后的處理方法
5.3.5.1修補材料。
1) 聚合物水泥砂漿
2) 聚合物水泥膠泥
3) 樹脂膠泥
4) 密封料
5) 混凝土接縫用粘接劑
6) 水泥砂漿
7) 快速凝水劑
8) 其他、具有與1)~7)相同性能的材料。
5.3.5.2 強度不夠
針對強度不夠的原因,采取以下措施:
(A)保養不夠:延長保養時間直至達到所需強度。
(B)其他:刮掉或者鑿掉脆弱部分,根據需要用修補料進行修補。
說明:
(1) 在使用普通水泥時的用于樹脂襯里的標準保養時間大致如下:
(2) 夏季:2個星期
(3) 春秋季:3個星期
(4) 冬季: 4個星期
(2) 雖然設定了保養時間,但是強度仍有部分不夠時,最好進行(B)處理。
(3)雖然保養充分,但是整體上強度不夠時,由發包單位和施工單位協商。
5.3.5.3 表面干燥不夠
底基混凝土的表面干燥不夠的時候,進行以下處理:
(A)使其充分風干。
(B)根據需要,用排風機或者烘干機強制干燥。
說明:
1)根據使用的樹脂料的不同,所要求的干燥程度有所不同,但是一般最好沒有潮濕的顏色。
2)強制干燥時僅限于保養到所需強度為止。
3)在使用烘干機時不要讓火焰直接碰到混凝土表面
5.3.5.4 堿度
清洗混凝土表面直到堿度不對樹脂料構成危害為止。
5.3.5.5漏水、滲水
使用快速凝水劑止水。
說明:
1) 最好在外側(襯里面的反側)設置防水層。
2)止水方法要根據漏水、滲水的程度,處理方法有所不同,因此由發包單位和施工單位協商。
5.3.5.6浮漿
用噴沙、打磨、鋼絲刷等去除。
5.3.5.7泥漿、灰塵等
用鋼釬、鋼絲刷、掃帚、吸塵器、壓縮空氣、高壓水洗等仔細清掃。
5.3.5.8模板剝離劑、油漆、油脂
根據粘附程度,用以下任一方法,或者多種方法并用進行處理。
(A)用熱水、蒸氣等沖洗。
(B)用溶劑、洗潔凈等去除。
(C)用噴沙、打磨、鋼絲刷等刮掉。
說明:
1) 油脂等表面粘附容易產生樹脂襯料剝離。
2) 刮得太深時,可以用修補料修補。
5.3.5.9起殼
根據起殼程度,進行以下任一處理:
(A)鑿掉或者刮掉后用修補料修補。
(b)在反面注入樹脂。
5.3.5.10裂縫
根據裂縫的寬度、深度、產生原因、使用條件等,進行以下任一處理:
(A)表面涂敷工藝。
(B)膠泥澆注工藝。
(C)密封料填充工藝。
(D)其他
說明:
1) 所謂“表面涂敷工藝”,是指在裂縫處涂敷修補料的方法。
2) 所謂“膠泥澆注工藝”,是指用環氧樹脂等膠泥修復裂縫的方法。
3) 所謂“密封料填充工藝”,是指主要用彈性密封料填充,吸收基體活動的方法。
4) “其他”是由發包單位和施工單位協商。
5.3.5.11蜂窩
鑿掉沒有所需強度的部位,或者進行以下任一處理:
(A)填充修補料。
(B)蜂窩又深又大時,將其周圍的混凝土鑿掉,設置模板,涂敷混凝土接縫用粘接劑,然后澆混凝土。
5.3.5.12 高低差、模板錯位

在判定高低差、模板錯位的程度影響樹脂襯料的涂敷和性能時,進行以下處理:
(A)用研磨機、砂輪磨掉高低差部分,盡可能使平面的高低一致。
(B)必要時涂修補料,使周圍的平面光滑。
5.3.5.13模板木接孔

5.3.5.14 裂縫、缺口

5.3.5.15 冷接縫

5.3.5.16 空穴、氣泡痕跡
根據空穴、氣泡痕跡的程度,進行以下處理:
(A)有表面強度時,保持原樣,填入修補料。
(B)表面強度不夠時,將其刮掉,然后填入修補料。
5.3.5.17 異物、突起物
根據異物、突起物的程度進行以下處理:
(A)除去異物、用修補料回填。
(B)突起物用砂輪打掉。
5.3.5.18無凸角、凹角的倒角時
無凸角、凹角的倒角時或者太小時,一下面的處理為標準:
(A)凸角部位用砂輪打磨到一定大小。
(B)凹角部位用修補料進行倒角。
6.結語
一次成功的耐蝕玻璃纖維增強塑料襯里施工,需要綜合考慮各種因素,需要業主、設計、施工等方面的密切配合;而襯里設計是否合理、材料選擇是否恰當、前道混凝土或碳鋼被襯體的品質高低等因素是樹脂襯里施工取得成功之先決條件。
PS:上海富晨感謝廣大客戶和最終用戶的認可!并將始終如一的將我們優質的產品和專業的服務提供給大家!友情提醒大家,市場上仿冒上海富晨玻璃鱗片膠泥等產品的假貨越來越多,這些不良廠家冒充富晨代理商、甚至說是我們的分廠,給我們和我們客戶造成重大損失,特此再次聲明:上海富晨化工有限公司官方網站為:www.fuchem.com,官方電話為:021-64759140,所有上海富晨玻璃鱗片膠泥和重防腐涂料產品敬請直接聯系我公司采購,所購貨物及時撥打官方電話查詢真偽,打假有獎。











魯ICP備2021047099號